

补偿容量:50Kvar ~ 30Mva r
额定频率:50(60)HZ
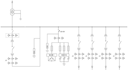
投切元件:真空开关、断路器、隔离开关、 负荷开关
安装方式:户内、户外
本装置能自动跟踪系统的无功需求,通过投切电容器,实现无功平衡;
在需要电压无功综合控制的变电站,通过对有载调压变压器的档位控制和自动补偿无功的控制,采用11区模糊控制策略,实现电压无功综合平衡;
柱上式无功补偿装置,以线路的电压、时间、功率因数和无功需求量作为投切电容判据,补偿准确,不出现过补和欠补;
根据无功负荷变化进行装置电容分组,根据无功需求自动投切电容器;
可以应用在双主变变电站的各种运行方式;具有过压、欠压、过流和缺相等各种保护功能;
配有RS485或RS232高速数据通信接口,与变电站综合自动化系统相配合,可实现“四遥”功能。


采用优质高压电力电容器,可靠性高、寿命长、损耗小、运行温升低;
完善的电容器保护功能,电容器外置放电装置,可使设备断电后,5S内将电容器残压降至50v以下,单台电容器短路保护采用高压喷逐式熔断器,电容器组不平衡保护可选用中性点不平衡电流保护、开口三角电压保护、电压差动保护等;
根据用户情况选配电抗率为0.1%~13%的串联电抗器,以限制合闸涌流、抑制特定次谐波;
配置专用高压专柜,有过流、速断、过压、低电压功能,设置单独保护屏,确保安全运行;
具有良好的电磁兼容性适合在强电磁干扰的复杂环境中应用;
双硬件看门狗电路确保软件运行的可靠性;
中文液晶显示,运行状态清晰,菜单式操作,方便易用;
1 .用户应提供所需要的容量参数。
2 .用户提供系统图纸并注明元件的名称、规格、数量和型号。
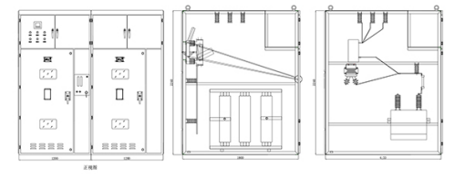
3 .订购整柜,需提供开关柜的外形尺寸。
4 .其他特殊要求在订货时,单独列出。
环境温度:-40℃~70℃;
大气压力:80~110KPa;
空气相对湿度:<90%(25℃)、<50%(40℃);
海拔高度:≤2000m,高原型可以达到4000m;
安装地点应具有防御风、雨、沙尘设施。
包装:一般采用木箱包装,四周密封。
运输:一般采用汽运,不宜在三级以下公路长距离运输,必要时可拆散运输,重要配件处理后运输;
储存:长期储存时,应储存在干燥通风的仓库内,不宜在室外储存。
陈经理
手机:+86-19855109337
邮箱:langtedianli@163.com
联系人:陈经理
地址:安徽省合肥市高新区合欢路26号3#厂房
-->