

补偿容量:50Kva r ~ 30Mva r
额定频率:50(60)HZ
投切元件:真空开关、断路器、隔离开关、 负荷开关
安装方式:户内、户外
(QSA)系列开关熔断器组集负荷开关和熔断器短路保护功能于一体,结构紧凑,使用安全,主要用于具有 高短路电流的配电和电动机电路中作为电源开关和应急开关,并作电缆的短路保护,由于开关手柄为旋转操作, 特别适用于抽屉式开关柜中安装使用。 本开关系列全封闭结构,由接触系统、操作机构、手柄三部分组成。由动、静触头及灭弧装置组成的接触系 统均组装在由新型耐弧工程塑料制成的封闭壳体内,达到零飞弧;其工作性能的稳定、可靠,并在寿命期内无需 用户维护或更换零件。配用的高分断能力刀型触头熔断体串接在触头之间,当开关处于断开位置时,其外露导电 部件均不带电,确保维修和更换熔断体的安全性(打开柜门开关处于断开状态)。 开关具有弹簧储能的操作机构,手柄操作方式系旋转操作,开关分、合动作靠弹簧力完成,均与人力无关, 保证其动作的可靠与稳定。
低压避雷器:
低压氧化锌避雷器 ,产品用于保护交流电力系统电气设备的绝缘免遭大气过电压和操作过电压的损害,适合于配电箱内,电源频率50Hz或60Hz。安装时,先将避雷器固定在托架或横担上,下部接地端子直接接地,然后将上引线固定在接线端子上。HY氧化锌避雷器也叫做硅橡胶氧化锌避雷器,也叫有机金属氧化物避雷器。
塑壳断路器:
DZ47系列小型断路器主要适用于交流50/60Hz ,额定工作电压为24 0V/ 415V及以下,额定电流至60A的电路中, 该断路器主要用于现代建筑物的电气线路及设备的控制、过载、短路保护,亦适用于线路的不频繁操作及隔离。DZ47系列小型断路器由塑料外壳、操作机构、触头灭弧系统、脱扣机构等组成。脱扣机构由双金属片过载反 时限脱扣机构和短路瞬动电磁机构两部分组成。触头灭弧系统则采用特殊的导弧角和过道灭室,并具有显著的限流特性。
电容器:
自愈式低电压并联电容器是采用先进的金属化膜作为材料,引进国外先进技术、设备,严格按照国标准及IEC标准组织生产的;主要用于低压电网提高功率因数,减少线路损耗,改善电压质量,是国家推荐使用的新型节电产品。
交流接触器触头:
应用CJ19-32/11.20.02系列切换电容器接触器,主要用于交流50Hz或60Hz,额定工作电压至380V的电力线路中,供低压无功功率补偿设备投入或切除低压并联电容器之用。接触器带有抑制涌流装置,能有效地减小合闸涌流对电容的冲击和抑制开断时的过电压。
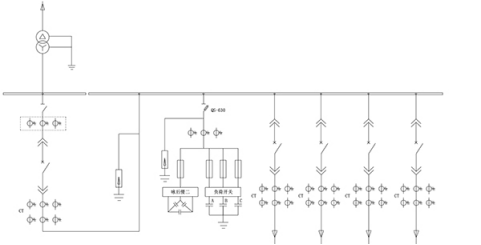
合上刀熔开关和断路器,无功功率补偿控制器更具进线柜电压和电流的相位差输出控制信号,控制交流 接触器闭合和断开,从而控制电容器投入和退出。 把具有容性负荷的装置与感性负荷并联接在同一电路,当容性负荷释放能量时,感性负荷吸收能量;而 感性负荷释放能量时,容性负荷却在吸收能量,能量在两种负荷之间互相交换。这样,感性负荷所吸收的 无功功率可由容性负荷输出的无功功率中得到补偿,这就是他的补偿原理。 低压电容柜的作用是提高负载功率因素,降低无功功率,提高供电设备的效率;电容柜是否正常工作, 可通过功率因素表的读数判断,功率因素表读数如果在0.9左右可视为工作正常。

1、监视温度、电压、电流。电容柜环境温度不得超过40摄氏度,电容器本体温度不得超过6 0摄氏度。
2、关于电压的监视,一般规定,电压高于额定电压1.05倍时电容器可以长期运行,并允许在一昼夜中,最高不超过1.1倍于额定电压下运行不超过6小时。
3、巡视时要检查电容器外壳有无膨胀,瓷套管破碎,漏油,接头是否发热,通风是否良好等。
4、无功功率自动补偿控制器是电容柜的关键部件,它是否能正常工作则直接影响到电容柜的正常运行。
因此用户必须多方位了解控制器的功能特点,使用条件,技术参数,安装接线,一般定性检查,系统故障的排除。
1 .用户应提供所需要的容量参数。
2 .用户提供系统图纸并注明元件的名称、规格、数量和型号。
3 .订购整柜,需提供开关柜的外形尺寸。
4 .其他特殊要求在订货时,单独列出。
环境温度:-40℃~70℃;
大气压力:80~110KPa;
空气相对湿度:<90%(25℃)、<50%(40℃);
海拔高度:≤2000m,高原型可以达到4000m;
安装地点应具有防御风、雨、沙尘设施。
包装:一般采用木箱包装,四周密封。
运输:一般采用汽运,不宜在三级以下公路长距离运输,必要时可拆散运输,重要配件处理后运输;
储存:长期储存时,应储存在干燥通风的仓库内,不宜在室外储存。
陈经理
手机:+86-19855109337
邮箱:langtedianli@163.com
联系人:陈经理
地址:安徽省合肥市高新区合欢路26号3#厂房
-->